Interesujące? Wesprzyj Krainę Żywych Maszyn kupując mi kawę ;-) Postaw mi kawę na buycoffee.to

Para powstająca w wyniku ogrzewania wody w kotle i zbierająca się w jego górnej części nosi nazwę pary nasyconej mokrej i w rzeczywistości jest mieszaniną pary i kropelek wody. Charakteryzuje się również dobrą przewodnością ciepła, przez co łatwo ulega skropleniu. Łatwość skraplania takiej pary powoduje duże straty ciepła w silniku parowym na skutek kondensacji (skraplania) pary. Straty te wynoszą ok. 35% dla silnika bliźniaczego i ok. 20 - 25% dla silnika sprzężonego (dwustopniowe rozprężanie pary).

W przeciwieństwie do pary nasyconej, para przegrzana nie zawiera kropelek wody i znacznie gorzej przewodzi ciepło. Zastosowanie jej w silniku parowym pozwoliło wyeliminować zjawisko kondensacji pary w cylindrach, a co za tym idzie, również wynikające z niego straty ciepła. Dzięki temu osiągnięto kolejne korzyści: oszczędność ok. 25% paliwa i 30% wody oraz jednoczesny wzrost mocy maszyny parowej o 30 - 40%.

Zadaniem przegrzewacza pary jest - jak sama nazwa wskazuje - zamiana pary nasyconej na przegrzaną. Pierwsze takie urządzenie zostało opatentowane w 1839 roku w Anglii, jednak nie znalazło szerszego zastosowania ze względu na swoją niską sprawność. Pierwszy przegrzewacz na tyle ekonomiczny, by opłacało się go zastosować w parowozie został skonstruowany w 1892 roku przez niemieckiego inżyniera, dra Wilhelma Schmidta. Z początku był on testowany na stacjonarnych maszynach parowych. Pierwszą lokomotywą, na której został zamontowany była maszyna pruskiej serii S3 (PKP: Pd1) dostarczona pruskim kolejom przez wytwórnię Vulcan w Szczecinie dnia 12 kwietnia 1898 roku. Na wiekszą skalę urządzenie to zaczęło być stosowane jednak dopiero w latach 20-tych XX wieku.

Przegrzewacz pary składa się z dwudzielnej skrzyni rozdzielczej (zwanej skrzynią przegrzewacza), umieszczonej w dymnicy i połączonej rurą z przepustnicą i rurami parowlotowymi oraz z tzw. elementów przegrzewacza. Skrzynia przegrzewacza jest podzielona na dwie komory: komorę pary nasyconej i pary przegrzanej.

Para nasycona z kotła najpierw wpływa do komory pary nasyconej skrzyni przegrzewacza, stamtąd jest kierowana do elementów, w których następuje jej przegrzanie, a następnie do drugiej komory skrzyni rozdzielczej, i dalej rurą parowlotową do silnika parowego.

Początkowo wszystkie elementy przegrzewacza były umieszczone w jednej dużej płomienicy o średnicy przekraczającej 400 mm. Rozwiązanie to okazało się kłopotliwe ze wzglądu na częste przepalanie się elementów przegrzewacza umieszczonych zbyt blisko paleniska, rozszczelnianie się płomienicy i trudne czyszczenie elementów z sadzy.

Pomimo tych trudności, korzyści płynące z zastosowania pary przegrzanej skłoniły Schmidta do opracowania dwóch nowych konstrukcji przegrzewacza: komorowego i płomienicowego.

Komory skrzyni przegrzewacza komorowego zostały umieszczone po obu stronach komina, w górnej części wydłużonej dymnicy, a jego elementy oplatały wnętrze dymnicy dookoła. W walczaku, oprócz płomieniówek umieszczona została duża płomienica (o średnicy 304 mm, nieco mniejsza od zastosowanej w pierwotnej wersji przegrzewacza), której zadaniem było kierowanie spalin na elementy przegrzewacza.

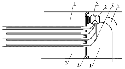
Elementy przegrzewacza płomienicowego, mające postać kilkunastometrowej długości rur, kilkakrotnie zagiętych, zostały natomiast umieszczone w mniejszych, ale za to liczniejszych płomienicach umieszczonych w walczaku. To rozwiązanie pozwalało zwiekszyć w stosunku do obu poprzednich wersji powierzchnię ogrzewalną kotła. Tak więc przegrzewacz płomienicowy wyparł ostatecznie komorowy i był stosowany aż do końca eksploatacji trakcji parowej nakolejach całego świata. Budowę przegrzewacza płomienicowego przedstawia poniższy rysunek:

Schemat budowy przegrzewacza pary

Budowa przegrzewacza pary

  1. Walczak
  2. Ściana sitowa (przednia)
  3. Dymnica
  4. Rura przepustnicy
  5. Skrzynia przegrzewacza - komora pary nasyconej
  6. Skrzynia przegrzewacza - komora pary przegrzanej
  7. Element przegrzewacza
  8. Rura parowlotowa
Przegrzewacz pary w złomowanym parowozie

Przegrzewacz pary (a przynajmniej jego resztki w parowozie przeznaczonym na części zamienne.

  1. Skrzynia przegrzewacza
  2. Elementy przegrzewacza (większość jest ucięta, ale niektóre pozostają jeszcze wpuszczone w płomienice)

Interesujące? Wesprzyj Krainę Żywych Maszyn kupując mi kawę ;-) Postaw mi kawę na buycoffee.to